کاربر گرامی  خوش آمدید ... ( ثبت‌ نام  / ورود  )

سنسور القایی مربعی 40mm دو سیم AC آتونیکس (20mm)

MODEL : PSN40-20AO/C

 

معرفی محصول

سنسور القایی مدل PSN40-20AO/C آتونیکس یک سنسور مجاورتی مستطیلی با سیم بندی دو سیم AC و ضلع تشخیص دهنده مربعی شکل 40 میلی متری است. که قابلیت تشخیص تا فاصله 20 میلی متر برای هدف تشخیص استاندارد 1*60*60 میلی متر را دارد. این محصول با دو نوع خروجی کنترلی N.O و N.C قابل سفارش است.

 

تماس بگیرید
  • نقد و بررسی
  • مشخصات فنی
  • ویژگی ها
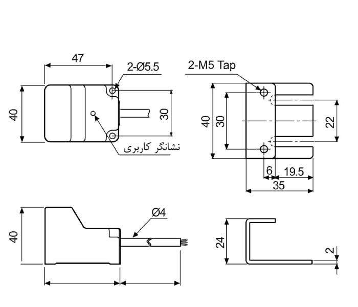
  • جدول ابعاد
  • محصولات مشابه
  • نظرات کاربران
  • سنسور القایی چیست

    سنسورهای القایی یکی از پرکاربردترین انواع سنسورهای مجاورتی هستند که می توانند با استفاده از تولید یک میدان مغناطیسی حضور جسم فلزی را تشخیص داده و فرمان مستقیم به رله ها، شیرهای برقی، سیستمهای اندازه گیری و مدارات کنترل الکتریکی ارسال کنند.

    سنسور القاییسنسور القایی از چهار بخش اصلی شامل اسیلاتور، دمدولاتور، اشمیت تریگر، تقویت کننده (خروجی) تشکیل شده است. و نحوه عملکرد آن به این صورت است که اسیلاتور یک میدان مغناطیسی در بخش سنس کننده سنسور ایجاد می کند.

    هنگامی که قطعه فلزی وارد ناحیه تشخیص سنسور شود جریانهای گردابی در قطعه به وجود می آیند و سبب جذب انرژی میدان می شوند و در نتیجه آن دامنه اسیلاتور کاهش می یابد. از آنجا که طبقه دمدولاتور آشکارساز دامنه اسیلاتور است در نتیجه، کاهش دامنه اسیلاتور توسط دمدولاتور به طبقه اشمیت تریگر منتقل می شود. کاهش دامنه اسیلاتور باعث فعال شدن خروجی اشمیت تریگر گردیده و این قسمت نیز به نوبه خود باعث تحریک خروجی می شود.

     

    سنسورهای القایی در انواع مختلفی از نظر شکل ظاهری، تعداد سیم، نوع ورودی، فاصله تشخیص، سرعت یا فرکانس کاری برای رنج وسیعی از کاربردها تولید می شوند.

     

    سنسور القایی سری PS/PSN آتونیکس

    سنسور القایی آتونیکس سری PS/PSNیکی از شرکت‌های بسیار معتبر در زمینه ساخت سنسور القایی کمپانی آتونیکس است. آتونیکس یک برند کره‌ای بوده و محصولات آن از کیفیت و تنوع بسیار زیادی برخوردارند. سنسور القایی سری PS/PSN آتونیکس در اندازه های مختلف به منظور کاربردهای مختلف در دسترس می باشد.

    این سری از سنسورهای القایی به علت طراحی خاص IC ، دارای بهترین مشخصه جهانی مقاومت در برابر نویز هستند.

    سنسور القایی سری PS/PSN آتونیکس از جنس ABS مقاوم در برابر حرارت بصورت مستطیلی ساخته شده است و از عمر، سیکل کاری و قابلیت اطمینان بالایی برخوردار است. ساختار ضد آب با درجه حفاظتی IP67 از جمله ویژگی های این محصول می باشد.

     

    سنسور القایی مدل PSN40-20AO/C آتونیکس

    سنسور القایی مدل PSN40-20AO/C آتونیکس از نظر سیم بندی و تغذیه از نوع 2 سیم AC می باشد. ضلع تشخیص دهنده این سنسور 40 میلی متر مربعی شکل از نوع تشخیص از جلو است. فاصله تشخیص 20 میلی متر و پاسخ فرکانسی 20Hz دیگر مشخصات فنی این محصول هستند.

  • مشخصات فنی
    سری
    PS/PSN
    مدل
    PSN40-20AO, PSN40-20AC
    شکل و نوع تشخیص
    القایی مربع شکل تشخیص از جلو
    نوع سیم بندی
    2 سیم AC
    ولتاژ تغذیه
    100-240VAC
    فاصله تشخیص
    20mm
    قطر بدنه سنسور
    40mm (مربع شکل)
    جنس بدنه
    ABS مقاوم در برابر حرارت
    خروجی کنترلی
    NO, NC
    پاسخ فرکانسی
    20Hz
    درجه حفاظتی
    IP67
    محدوده دمایی
    25- تا 70+ درجه سانتیگراد
    نوع اتصال
    کابلی
    سازندگان
    آتونیکس
  • ویژگی های سنسور القایی سری PS/PSN آتونیکس

    بهبود پایداری در برابر نویز با استفاده از IC ویژه
    دارای مدار حفاظت در برابر پلاریته معکوس ولتاژ تغذیه (نوع 3 سیم DC)
    دارای مدار حفاظت در برابر افزایش ناگهانی ولتاژ
    دارای مدار داخلی حفاظت در برابر جریان بیش از حد (نوع DC)
    عمر طولانی، عملکرد قابل اطمینان، اقتصادی
    نصب راحت
    دارای نشانگر عملکرد ( LED قرمز )
    درجه حفاظتی IP67 مطابق با استاندارد IEC

     

  • سنسور القایی مستطیلی آتونیکس PS/PSN

  • ارسال نظر
    پیغام:
    کد مقابل را وارد کنید ...
ثبت سفارش
تعداد
عنوان